2025年9月6日12时00分许,射洪市瞿河镇鲜家沟村二组张x福家发生火灾,火灾造成1人死亡(姓名:张x福,男,年龄:80岁,身份证号码510922xxxxxxxxxxxx),过火面积约70平方米,经统计该起火灾共造成直接经济损失64400元。
事故发生后,遂宁市消防救援支队分管副支队长王建,瞿河镇镇长贾明林,瞿河镇党委副书记何欢等领导立即赶赴现场指导事故处置和善后工作。
根据《中华人民共和国消防法》《中共中央办公厅国务院办公厅关于深化消防执法改革的意见》(厅字〔2019〕34号)、《四川省人民政府办公厅关于印发〈四川省消防安全责任制实施办法〉的通知》(川办发〔2019〕71号)、《四川省火灾事故调查处理实施办法》等法律法规,射洪市人民政府成立了由市委常委、常务副市长戴宇任组长的火灾事故调查组,火灾事故调查组由市消防救援大队牵头负责,市司法局、市应急管理局、市公安局、市住房城乡建设局、瞿河镇政府派员组成。
事故调查组按照科学严谨、依法依规、实事求是、注重实效的原则,通过现场勘验、查阅资料、调查取证、委托鉴定检验等方式,查明了火灾原因、灾害成因、人员伤亡和直接经济损失等情况,认定了事故性质和责任,总结了事故教训,并针对事故原因及暴露出的问题,提出了防范措施。
调查认定:火灾事故是张x福使用蚊香驱蚊不慎引燃卧室内衣物、被褥等可燃物蔓延成灾。
一、火灾处置基本情况
(一)地理位置情况
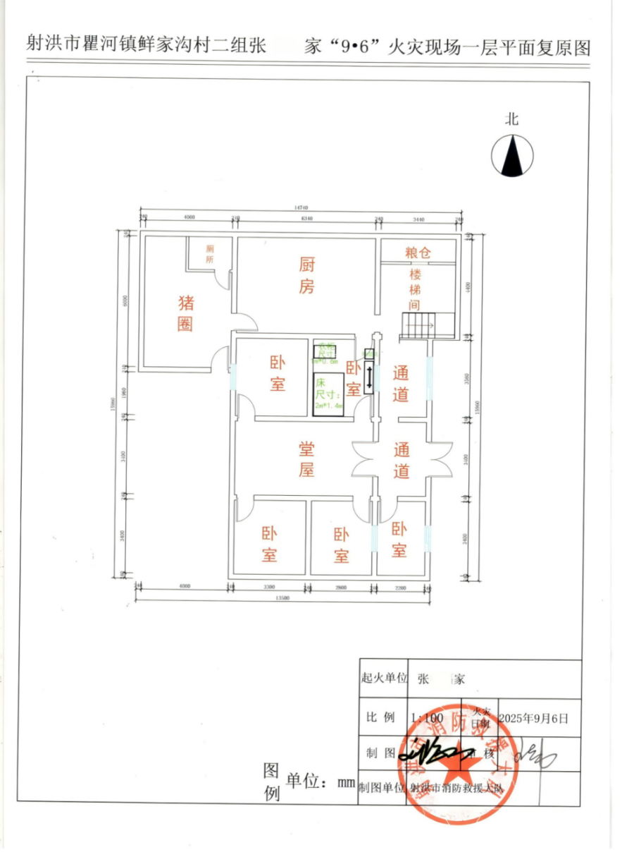
张x福家位于射洪市瞿河镇鲜家沟村二组张家院子水泥路尽头,房屋主体坐西向东、为二层小青瓦砖木结构、北面局部突出、由北至南呈“T”型布置;房屋东面为通向院坝的水泥路及树林、西面为山林,北面为居民房、南面为菜地。
(二)建筑布局情况
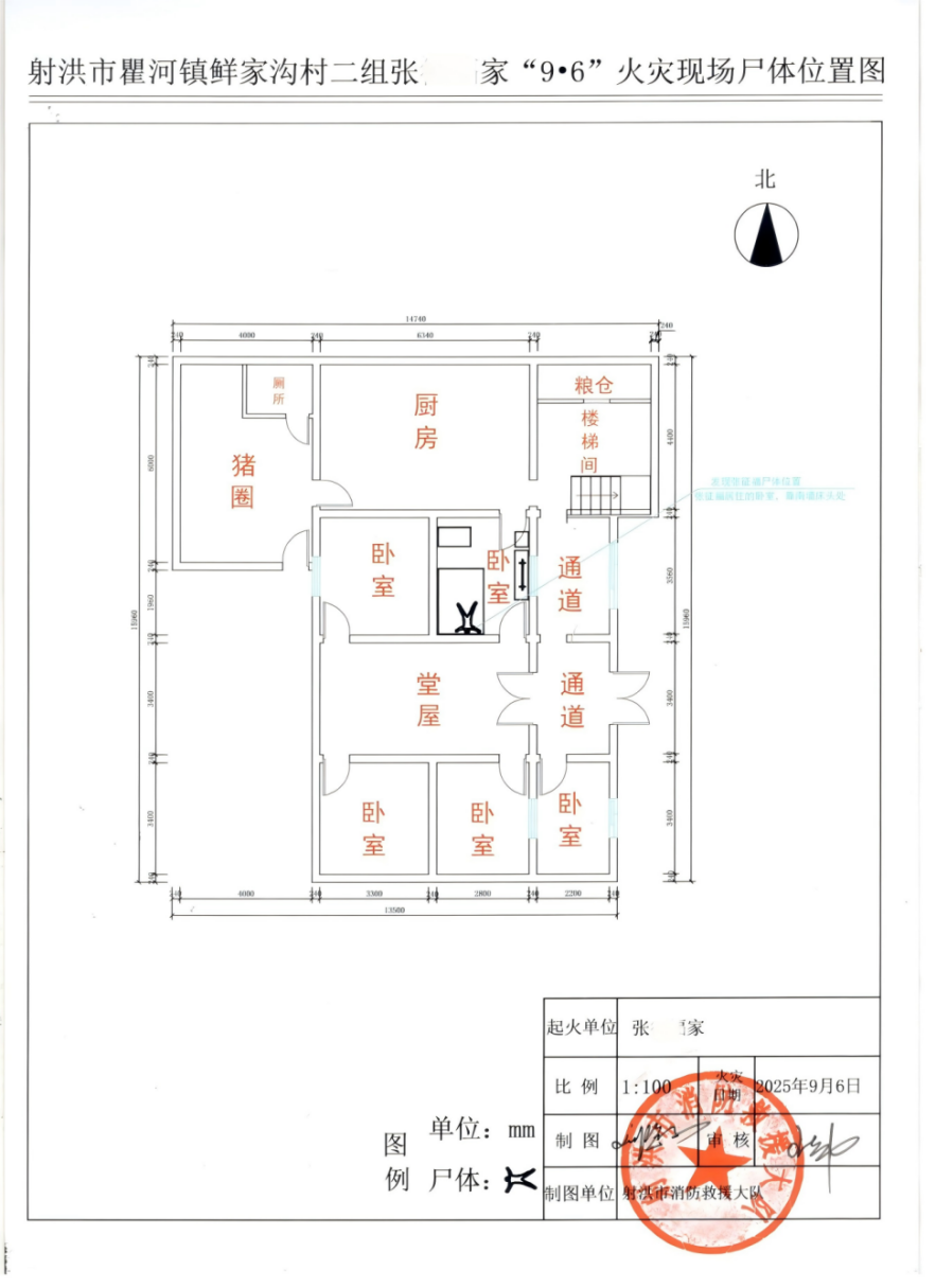
张x福家房间自北向南由四进构成,南北长约15米,东西宽约16米。第一进从东向西分为三间,三间均为卧室。第二进贯通东西为堂屋。第三进由山墙分为东西两间卧室。第四进为厨房、厨房西门突出部分为猪圈、西北角为厕所,厨房东侧为楼梯间,楼梯间北侧为粮仓。
(三)人员居住情况
起火房屋为生活居住场所,张x福(死者)独自居住。
二、起火经过和初起火灾处置
(一)火灾发现经过
2025年9月6日12时许,张x林听到村民喊起火了,和丈夫骑电瓶车从家赶过去,边走边给其堂兄张x打电话,并让其丈夫把电闸关了,赶到现场,看到火很大、浓烟很大,火已经上房顶了,人都进不去了,就拨打119报警。
(二)初期处置情况
2025年9月6日12时50分,遂宁市消防救援支队指挥中心立即调派太和大道消防救援站2车9人前往处置,市消防救援大队值班领导遂行出动。
三、消防部门灭火救援和战勤保障情况
(一)灭火救援情况
1.接处警和力量调度。接警后,遂宁市消防救援支队指挥中心立即调派太和大道消防救援站2车9人赶赴现场处置,市消防救援大队值班人员遂行出动。13时14分,救援力量到达现场。
2.处置经过。13时14分,太和大道消防救援站到达现场,现场火势正处于猛烈燃烧阶段,消防救援人员一边进行火情侦查,一边出两支水枪进行扑救,一支在外围阻截火势、防止火势扩大,一支深入起火建筑内攻救人;13时48分,现场明火被扑灭,消防救援人员继续对现场余火进行扑救,清理、破拆房屋的木材、砖墙等,并在房屋内外可能有人的部位进行仔细寻找;15时21分余火处置完毕;15时50分,在第三进东面卧室垮塌的燃烧物塌落层中挖掘出一名被困人员的尸体残骸,经家属确认,死者为张x福(男,80岁,身份证号码510922xxxxxxxxxxxx);16时10分,现场处置完毕,移交家属。处置过程中,瞿河镇人民政府党政领导、瞿河派出所赶到现场参与事故处置。
(二)战勤保障情况
消防部门现场处置过程约2个小时,灭火救援过程较短,未进行现场食物及保暖用品保障。
四、火灾损失及伤亡情况
(一)火灾直接财产损失
火灾烧毁张x福家小青瓦砖木结构一层堂屋一间、卧室两间、厨房一间、二层三个房间,电视机、除湿机、衣柜等家电家具,统计直接经济损失64400元(其中建构筑物及装修损失48000元、设备及其他财产损失5400元、丧葬费10000元、现场处置费用1000元)。
(二)伤亡人员相关情况
死者张x福(男,80岁,身份证号码510922xxxxxxxxxxxx,户籍地址:四川省射洪市万林乡木鱼村4组28号)现居住在射洪市瞿河镇鲜家沟村二组。据调查了解,死者患有痛风多年,2025年7月底、8月初两次住院,近期腰部轻微扭伤,行动能力受限,独居。尸体经射洪市公安局刑侦部门勘验,尸表炭化,头面部软组织完全炭化、颅骨破裂、下颌骨部分缺失;颈部组织焚毁、气管爆裂;胸腹部软组织缺失、胸骨缺失、锁骨与肋骨大部分缺失至胸腹腔内深层脏器显露,胸腹腔内有大量砂砾、泥土及碎瓦片;双上肢自肘下完全缺失,双大腿自中下段缺损,断端炭化。
五、火灾事故原因
(一)起火时间的认定
1.接处警信息。根据遂宁市消防救援支队指挥中心接警记录证实。
2.证人证言。根据张x(死者侄子,最早参与救火人员)、张x林(死者侄女,得知起火最早赶到现场人员之一、火灾报警人)、张x碧(死者长女,得知起火从射洪城北赶到现场人员)、张x梦(死者三女,得知起火从射洪城南赶到现场人员)四人笔录证实。
3.用电情况。根据从国网四川射洪市供电有限责任公司调取的张x福家当天的电表电流曲线数据证实,在9月6日12时15分张x福家电流从12时00分的0.363A增加到10.19A,结合四川消防研究所司法鉴定中心出具的鉴定意见和张x福自9月1日到9月6日的用电习惯,可以推断此时家中电气线路已受火势影响、线路电阻增大进而电流增加。
综上,根据火灾发展规律,将起火时间认定为2025年9月6日12时00分许。
(二)起火部位的认定
1.现场勘验。张x福家小青瓦砖木结构房屋的一层第二进堂屋、第三进卧室、第四进厨房的垮塌程度、过火程度证实。
2.证人证言。根据张x、张x林二人笔录证实。
综上,将起火部位认定为射洪市瞿河镇鲜家沟村二组张x福家小青瓦砖木结构房屋第三进东面卧室。
(三)起火点的认定
1.现场勘验。根据张x福家小青瓦砖木结构房屋第三进东面卧室南墙木门上方的木枋的过火痕迹、北墙与厨房之间的金柱炭化痕迹、东墙窗户上的窗框残留的过火痕迹以及混凝土地面的凹坑痕迹。
综上,将起火点认定为张x福家小青瓦砖木结构房屋第三进东面卧室床尾。
(四)起火原因的认定
1.排除电气线路故障引发火灾的可能。主要依据:
(1)证人证言。根据张x、张x碧、张x梦的笔录证实,张x福房屋的电气线路是2022年左右重新敷设的。
(2)现场勘验。经现场勘验并提取封装的物证“1”、物证“5”物证“8”送至应急管理部四川消防研究所司法鉴定中心进行鉴定,应急管理部四川消防研究所司法鉴定中心出具的《鉴定意见书》(应急消川研司鉴中心[2025]物鉴字第0947号)鉴定意见为“(一)1-1#和8-1#样品为火烧熔痕样品(二)5号物证中未提取到可供鉴定的金属熔痕样品”,且在国网四川射洪市供电有限责任公司调取的张x福2025年9月1日至9月6日电表电流曲线数据证实,火灾发生前6天的电流数据最大为当天12时15分的10.19A,查阅《低压配电设计规范》(GB50054-2011)等相关规范及文献,低压配电系统配电末端短路电流数值参照值在1KA-10KA,火灾发生时段的短路电流远远小于参照值。
综上,排除电气线路故障引发火灾的可能。
2.排除刑事案件的可能。主要依据:
(1)证人证言。根据张x、张x碧、张x林、张x梦四人笔录证实,张x福为人和蔼、乐于助人,且周围居住的均为宗族好友,未了解到与他人有矛盾纠纷。
(2)调查走访情况。根据射洪市公安局瞿河派出所出警记录证实。
综上,排除刑事案件的可能。
3.排除死者轻生自焚和卧床吸烟引发火灾的可能。主要依据:
(1)证人证言。根据张x、张x碧、张x林、张x梦四人笔录证实,张x福虽长期被痛风困扰,但为人豁达乐观、求生欲强,平常接触也未发现其有轻生念头,且四人也证实张x福在今年住院后,戒掉了抽烟的习惯。
(2)现场勘验。根据现场勘验,现场未发有打火机、烟头、烟盒、可燃液体图痕、包装等残留物痕迹。
综上,排除死者轻生自焚和卧床吸烟引发火灾的可能。
4.认定为张x福使用蚊香驱蚊不慎引燃卧室内衣物、被褥等可燃物蔓延成灾。主要依据:
(1)现场勘验。在张x福居住的第三间东面卧室不足10平方米的房间内,经挖掘,在如此狭小的空间内发现了5个蚊香盘,证实死者有使用蚊香驱蚊的习惯。
(2)证人证言。经调查询问,死者长女张x碧笔录证实,张x福在8月初出院回乡时,购买了一桶蚊香;死者三女张x梦的笔录证实,乡下蚊虫多,张x福有使用多盘蚊香同时驱蚊的习惯;根据调查询问,张x福长期受痛风困扰,近期腰部不慎扭伤,故逃生能力受限。
综上,综合认定本次火灾事故是张x福使用蚊香驱蚊不慎引燃卧室内衣物、被褥等可燃物蔓延成灾。
六、火灾成因分析
(一)使用明火(蚊香)不当(直接原因)。经调查询问及现场勘验,张x福年迈、缺乏消防安全防范意识,勘验时在第三进卧室发现了多盘蚊香盘残留物,且房屋本身耐火等级低、卧室内存在衣物、被褥等可燃物,导致蚊香使用过程中不慎引燃周围物品导致火灾发生。
(二)逃生自救能力差(次要原因)。张x福长期受痛风困扰、常年服药,近期腰部不慎扭伤,逃生能力受限。
(三)火灾发现晚,贻误了最佳救援时机。该起火灾发生于中午12点左右,经现场勘查,第三进卧室燃烧特征符合阴燃-明火的过程,分析火灾到发现时已经过长过程的阴燃阶段,起火时附近居民误认为家中在生火做饭,故火已上房时才被发现报警求助。
综上所述,本次火灾之所以发生并造成一人死亡的惨剧,是多种因素叠加作用的结果。
七、相关部门履职情况
(一)射洪市瞿河镇人民政府
经调查组核实,今年以来瞿河镇人民政府强化《瞿河镇农村消防安全宣传稿》音频资料播放频次,部署至镇广播站及村社广播会。联动镇级走村串户任务分阶段对重点保护群体进行消防宣传,结合关爱一老一小行动入户进行关心照顾;配合市消防救援大队对瞿河辖区170余户特困户、低保户免费安装独立式感烟报警器的前期准备工作,提升弱势群体居住场所火灾防范能力;对辖区内近80家九小场所安装消防喷淋科普推介工作;在各重大时间节点印发了多个工作方案,对重点领域、重点场所、人员密集场所等进行每日安全巡查和在辖区全域进行每日夜间巡查;执行常态化消防委托执法,遵循“以查促改”为手段,结合重要时间节点,坚持按时、错时、分片的消防执法检查。
(二)瞿河派出所
经调查组核实,今年以来瞿河派出所共计出动警力30人次,开展集中安全宣传11次;采取入户等方式普及消防安全隐患排查基本知识,提高群众知晓率,不断增强了安全意识,提高了排查整治房屋安全隐患的积极性、主动性。
(三)射洪市消防救援大队
经调查组核实,今年以来市消防救援大队报请市委市政府定期召开消防工作会议、常务会议、联席会议10余次,专题听取消防工作汇报并研究解决棘手难题,对全年消防工作进行安排部署,健全完善消防安全责任体系、解决消防规划、公共消防基础设施、灭火救援力量、火灾隐患整改等重大问题。联合市直各部门开展联合整治行动90余次。成立4个防消联勤工作班,分片包干23个镇(街道),主动对接所辖镇(街道)分管负责人、网格员、委托执法人员,确定了每周1次工作例会、每半月1次案例复盘、每月1次工作汇总的制度,共计开展联合检查46次,检查单位384家次,发现并整改隐患189处;持续推进消防委托执法;通过“村村响”大喇叭广播将消防知识编成通俗易懂的顺口溜或当地方言,在早晚炊事、饭后等固定时段循环播放。在村委会、村口集市、文化广场等人员密集场所设立68个消防宣传栏、45个黑板报。定期更新,内容可涉及春季防火、夏收防火、冬季取暖安全等。在主干道、电线杆上悬挂接地气的标语横幅红色横幅278幅。“消防宣传车”下乡巡游180余次:将消防宣传车开到各个村口,利用车上的LED屏播放视频。培训“带头人”,累计培训村(社区)干部、网格员500余人,让他们成为“消防明白人”,在日常工作中随时进行宣传和监督。
八、消防产品检验情况
起火建筑为张x福家自建房,经现场核查,现场未配备灭火器,也未曾安装独立式感烟报警器。
九、事故暴露出的问题
一是农村居民居住条件有限,自建房耐火等级低,房屋火灾荷载大。
二是居民消防安全意识有待加强。碍于农村客观条件,家中可燃物管理、各类火源管理不善,加之高龄老人自理能力差,行动不便,加大了伤亡风险。
三是量多面广监督难。农村村民自建房、老旧小区通常由村(社区)、村居(民)委会负责日常管理,由于监管人员的专业素养不足、监管难度大等因素,致使农村村民自建房、老旧小区处于消防安全管理的盲区。虽然村(社区)、村居(民)委会组织网格员进行了消防安全自我排查和消防宣传教育,但整治效果不佳。
十、下一步工作建议
(一)加大镇(村)消防安全整治。各镇人民政府、街道办事处要切实提高认识,特别针对农村住房先天性火灾隐患较多、群众消防安全意识差等特点,采取有效措施,加强火灾隐患排查整治,做到底数清、情况明,按照《四川省消防条例》第二十条的要求对老年人、儿童、残疾人和精神障碍患者等特殊人群实施消防安全登记,开展针对性的消防完全教育,加强消防安全帮扶。 (二)加强用火、用电、用气管理。各镇人民政府、街道办事处要督促居民及时对破旧、老化电线进行更换或穿管保护,更换木质简易配电箱,做到安全用电;要鼓励居民住户,配备灭火器、逃生绳、防毒面具等灭火、逃生器材,特别是针对有独居老人或行动不便人员的居民住宅,加大推广安装独立式感烟火灾探测报警器安装率,实现应安尽安,并对居民住户用火、用电、用气安全情况进行全面整治清理,规范用火、用电、用气和消防安全通道管理。
(三)开展消防安全宣传。各镇人民政府、街道办事处要加强防火宣传力度,市消防救援大队要组织宣传人员、网格员、志愿者等基层力量以面对面宣讲、一对一互动交流、手把手培训指导等方式,传授防火基本常识、灭火器材使用要领、逃生自救技能等,并现场指导居民住户如何排查火灾隐患。拍摄消防安全警示教育片,进行消防常识普及,营造“人人关注消防、人人参与消防”的良好舆论氛围。
十一、事故责任追究
(一)刑事责任追究建议
本起火灾造成1人死亡,涉嫌过失引发火灾、构成失火罪。射洪市消防救援大队按法定程序移送辖区公安机关办理。经射洪市公安局刑事侦查大队审查后,认为该起火灾事故事实清楚,无犯罪事实发生,根据《中华人民共和国刑事诉讼法》第一百一十二条之规定,决定不予立案。
(二)行政责任追究建议
经查,射洪市消防救援大队、瞿河派出所均依法进行了隐患排查整治和安全教育宣传,射洪市瞿河镇人民政府在安全工作会议传达、工作安排上均按上级要求落实到位,没有失职失责的情况,建议不予追究相关部门及人员的责任。
火灾现场示意图






关于我们 合作推广 联系电话:18901119810 010-88824959 詹先生 电子邮箱:zht@china.org.cn
版权所有 中国互联网新闻中心 京ICP证 040089号-1 互联网新闻信息服务许可证 10120170004号 网络传播视听节目许可证号:0105123